Jiawo Electromechanical series
A manufacturer and exporter specializing in the production of high pressure cleaning machines and motors.

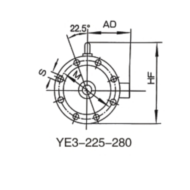
YE3-225-280

Frame without foot end shield with flange(B5)

For more information, please send an email or call our hotline

jiawofanny@outlook.com

Product description

Frame without foot end shield with flange(B5)
FramePloesDEFGMNPRSTHolesACADHFL
80M2.4.6.81940815.51651302000123.54175145
305
90S245020195165360
90L390
100L28602421518025014.54215180
435
112M240190
470
132S38801033265230300275210315510
132M560
160M42110123730025035018.55330255385730
160L760
180M481442.5380280430740
180L790
200L551649350300400420305480790
225S4.86014018534003504508470335535865
225M2551101649865
4.6.8601401853890
250M2500450550510370595915
4.6.86558
280S2580410650985
4.6.8752067.5
280M26518581035
4.6.8752067.5


go back

Tel:13566449999

E-mail:jiawofanny@outlook.com

Add:No.318,Chenguang Road,East New District,Wenling city,Taizhou city ,Zhejiang province,China

Manufacturer and exporter specializing in high pressure cleaners and motors

Focus on us for more dynamics 二维码

copyright Taizhou Jiawo Electromechanical Co.,Ltd  网站地图 Technical support: tzzhexing.com