Jiawo Electromechanical series
A manufacturer and exporter specializing in the production of high pressure cleaning machines and motors.

H160-355

Frame with foot,end shield without flange(B3)

For more information, please send an email or call our hotline

jiawofanny@outlook.com

Product description

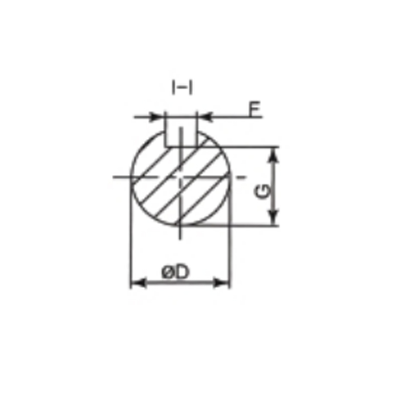
FramePloesMounting dimension(mm)Overall dimensions(mm)
AA/2BCHKDEFGABACADHDL
80M2.412562.51005080101940615.5165175145220305
90S2.4.6140701005690102450820180205170265360
90L2.4.6140701255690102450820180205170265390
100L2.4.6.81608014063100122860824205215180270435
112M2.4.6.81909514070112122860824230255200310440
132S2.4.6.8216108140891321238801033270310230365510
132M4.6.8216108178891321238801033270310230365550
160M2.4.6.825412721010816014.5421101237320340260425730
160L2.4.6.825412725410816014.5421101237320340260425760
180M2.4279139.524112118014.5481101442.5355390285460770
180L4.6.8279139.527912118014.5481101442.5355390285460800
200L2.4.6.831815930513320018.5551101649395445320520860
225S4.835617828614922518.5601401853435495350575830
225M235617831114922518.5551101649435495350575830
4.6.835617831114922518.5601401853435495350575860
250M240620334916825024601401853490550390635990
4.6.840620334916825024651401858490550390635990
280S2457228.536819028024651401858550630435705990
4.6.8457228.536819028024751402067.5550630435705990
280M2457228.5419190280246514018585506304357051040
4.6.8457228.541919028024751402067.55506304357051040
315S2508254406216315286514018586356455308451180
4.6.8508254406216315288017022716356455308451290
315M2508254457216315286514018586356455308451210
4.6.8508254457216315288017022716356455308451320
315L2508254508216315286514018586356455308451210
4.6.8508254508216315288017022716356455308451320
355M261030556025435528751402067.573071065510101500
4.6.86103055602543552895170258673071065510101530
355L261030563025435528751402067.573071065510101500
4.6.86103056302543552895170258673071065510101530
3551
3552
3553
26303158002243553580170227176077076011301870
4.6.8630315800224355351102102810076077076011301920
4.6.8630315800224355351102102810076077076011301920


go back

Tel:13566449999

E-mail:jiawofanny@outlook.com

Add:No.318,Chenguang Road,East New District,Wenling city,Taizhou city ,Zhejiang province,China

Manufacturer and exporter specializing in high pressure cleaners and motors

Focus on us for more dynamics 二维码

copyright Taizhou Jiawo Electromechanical Co.,Ltd  网站地图 Technical support: tzzhexing.com