卧式安装、机座带底脚、端盖无凸缘的电动机(B3)Frame with foot,end shield without flange(B3)
如需更多信息,请发送电子邮件或拨打我们的热线电话
卧式安装、机座带底脚、端盖无凸缘的电动机(B3)Frame with foot,end shield without flange(B3)
如需更多信息,请发送电子邮件或拨打我们的热线电话
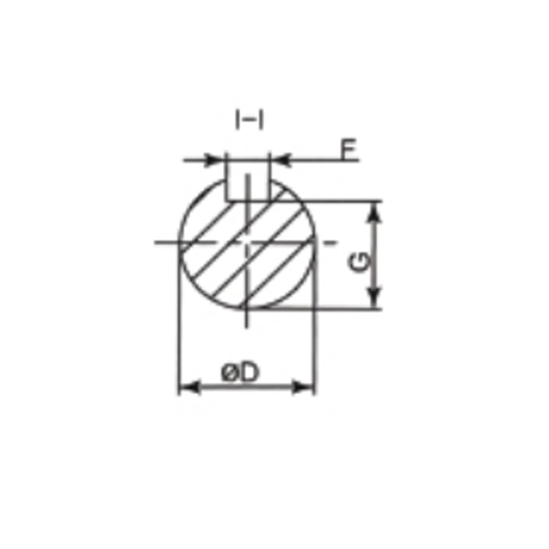
| 机座号 | 极数 | 安装尺寸Mounting dimension(mm) | 外形尺寸Overall dimensions(mm) | |||||||||||||
| A | A/2 | B | C | H | K | D | E | F | G | AB | AC | AD | HD | L | ||
| 80M | 2.4 | 125 | 62.5 | 100 | 50 | 80 | 10 | 19 | 40 | 6 | 15.5 | 165 | 175 | 145 | 220 | 305 |
| 90S | 2.4.6 | 140 | 70 | 100 | 56 | 90 | 10 | 24 | 50 | 8 | 20 | 180 | 205 | 170 | 265 | 360 |
| 90L | 2.4.6 | 140 | 70 | 125 | 56 | 90 | 10 | 24 | 50 | 8 | 20 | 180 | 205 | 170 | 265 | 390 |
| 100L | 2.4.6.8 | 160 | 80 | 140 | 63 | 100 | 12 | 28 | 60 | 8 | 24 | 205 | 215 | 180 | 270 | 435 |
| 112M | 2.4.6.8 | 190 | 95 | 140 | 70 | 112 | 12 | 28 | 60 | 8 | 24 | 230 | 255 | 200 | 310 | 440 |
| 132S | 2.4.6.8 | 216 | 108 | 140 | 89 | 132 | 12 | 38 | 80 | 10 | 33 | 270 | 310 | 230 | 365 | 510 |
| 132M | 4.6.8 | 216 | 108 | 178 | 89 | 132 | 12 | 38 | 80 | 10 | 33 | 270 | 310 | 230 | 365 | 550 |
| 160M | 2.4.6.8 | 254 | 127 | 210 | 108 | 160 | 14.5 | 42 | 110 | 12 | 37 | 320 | 340 | 260 | 425 | 730 |
| 160L | 2.4.6.8 | 254 | 127 | 254 | 108 | 160 | 14.5 | 42 | 110 | 12 | 37 | 320 | 340 | 260 | 425 | 760 |
| 180M | 2.4 | 279 | 139.5 | 241 | 121 | 180 | 14.5 | 48 | 110 | 14 | 42.5 | 355 | 390 | 285 | 460 | 770 |
| 180L | 4.6.8 | 279 | 139.5 | 279 | 121 | 180 | 14.5 | 48 | 110 | 14 | 42.5 | 355 | 390 | 285 | 460 | 800 |
| 200L | 2.4.6.8 | 318 | 159 | 305 | 133 | 200 | 18.5 | 55 | 110 | 16 | 49 | 395 | 445 | 320 | 520 | 860 |
| 225S | 4.8 | 356 | 178 | 286 | 149 | 225 | 18.5 | 60 | 140 | 18 | 53 | 435 | 495 | 350 | 575 | 830 |
| 225M | 2 | 356 | 178 | 311 | 149 | 225 | 18.5 | 55 | 110 | 16 | 49 | 435 | 495 | 350 | 575 | 830 |
| 4.6.8 | 356 | 178 | 311 | 149 | 225 | 18.5 | 60 | 140 | 18 | 53 | 435 | 495 | 350 | 575 | 860 | |
| 250M | 2 | 406 | 203 | 349 | 168 | 250 | 24 | 60 | 140 | 18 | 53 | 490 | 550 | 390 | 635 | 990 |
| 4.6.8 | 406 | 203 | 349 | 168 | 250 | 24 | 65 | 140 | 18 | 58 | 490 | 550 | 390 | 635 | 990 | |
| 280S | 2 | 457 | 228.5 | 368 | 190 | 280 | 24 | 65 | 140 | 18 | 58 | 550 | 630 | 435 | 705 | 990 |
| 4.6.8 | 457 | 228.5 | 368 | 190 | 280 | 24 | 75 | 140 | 20 | 67.5 | 550 | 630 | 435 | 705 | 990 | |
| 280M | 2 | 457 | 228.5 | 419 | 190 | 280 | 24 | 65 | 140 | 18 | 58 | 550 | 630 | 435 | 705 | 1040 |
| 4.6.8 | 457 | 228.5 | 419 | 190 | 280 | 24 | 75 | 140 | 20 | 67.5 | 550 | 630 | 435 | 705 | 1040 | |
| 315S | 2 | 508 | 254 | 406 | 216 | 315 | 28 | 65 | 140 | 18 | 58 | 635 | 645 | 530 | 845 | 1180 |
| 4.6.8 | 508 | 254 | 406 | 216 | 315 | 28 | 80 | 170 | 22 | 71 | 635 | 645 | 530 | 845 | 1290 | |
| 315M | 2 | 508 | 254 | 457 | 216 | 315 | 28 | 65 | 140 | 18 | 58 | 635 | 645 | 530 | 845 | 1210 |
| 4.6.8 | 508 | 254 | 457 | 216 | 315 | 28 | 80 | 170 | 22 | 71 | 635 | 645 | 530 | 845 | 1320 | |
| 315L | 2 | 508 | 254 | 508 | 216 | 315 | 28 | 65 | 140 | 18 | 58 | 635 | 645 | 530 | 845 | 1210 |
| 4.6.8 | 508 | 254 | 508 | 216 | 315 | 28 | 80 | 170 | 22 | 71 | 635 | 645 | 530 | 845 | 1320 | |
| 355M | 2 | 610 | 305 | 560 | 254 | 355 | 28 | 75 | 140 | 20 | 67.5 | 730 | 710 | 655 | 1010 | 1500 |
| 4.6.8 | 610 | 305 | 560 | 254 | 355 | 28 | 95 | 170 | 25 | 86 | 730 | 710 | 655 | 1010 | 1530 | |
| 355L | 2 | 610 | 305 | 630 | 254 | 355 | 28 | 75 | 140 | 20 | 67.5 | 730 | 710 | 655 | 1010 | 1500 |
| 4.6.8 | 610 | 305 | 630 | 254 | 355 | 28 | 95 | 170 | 25 | 86 | 730 | 710 | 655 | 1010 | 1530 | |
| 3551 3552 3553 | 2 | 630 | 315 | 800 | 224 | 355 | 35 | 80 | 170 | 22 | 71 | 760 | 770 | 760 | 1130 | 1870 |
| 4.6.8 | 630 | 315 | 800 | 224 | 355 | 35 | 110 | 210 | 28 | 100 | 760 | 770 | 760 | 1130 | 1920 | |
| 4.6.8 | 630 | 315 | 800 | 224 | 355 | 35 | 110 | 210 | 28 | 100 | 760 | 770 | 760 | 1130 | 1920 | |